Ventil brzdný jednostranný VBCD 1/2" SE/A FLV obj.č. V0412/FLV/P-350 bar
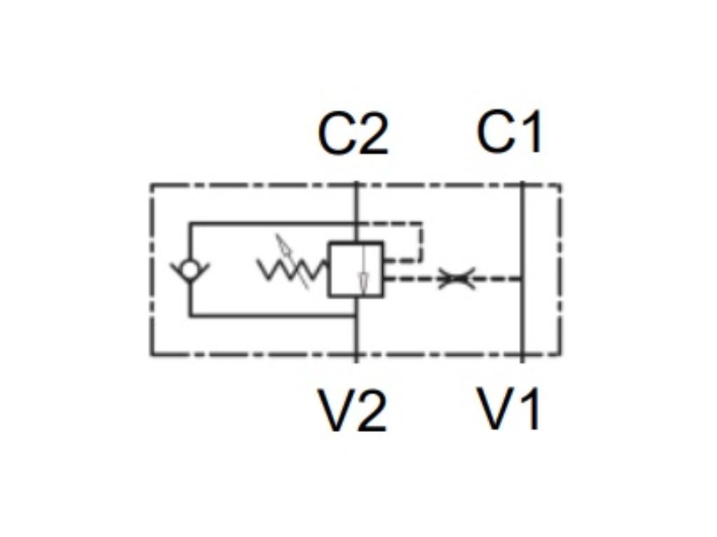
Brzdný ventil HAWE VBCD 1/2 SE/A FLV. Prípoje V1, C1, V2, C2 - G 1/2. Max. prac. Tlak - 350 bar. Max. prietok 60 l/min. Ovládací pomer-4,5:1. Materiál telesa ventila - Pozinko ...Viac informácií
Brzdný ventil HAWE VBCD 1/2 SE/A FLV. Prípoje V1, C1, V2, C2 - G 1/2. Max. prac. Tlak - 350 bar. Max. prietok 60 l/min. Ovládací pomer-4,5:1. Materiál telesa ventila - Pozinkovaná oceľ. Rozsah pracovných teplôt -20…90°C. Spôsob regulácie - Skrutka.
| Filter | |
|---|---|
| Prietok [l/min] | 60 |
| Závit | G 1/2" |
| 07-29_-_jednostranne_brzdne_ventily_typu_vbcd_se_vbcd_se-a | 305.94 KB | Formát PDF | 13.02.2020 | Stiahnuť |
|---|
//= detail/score.html




