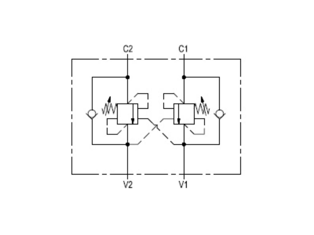
Brzdný ventil 05.42.47.03.02.35. Prípoje V1, C1, V2, C2 - G 3/8. Tlakový rozsah - 120-350 bar. Max. prietok 40 l/min. Ovládací pomer-6,6:1. Materiál telesa ventila - Hliník.
| Filter | |
|---|---|
| Závit | G 3/8" |
| 05.42.47 | 203.83 KB | Formát PDF | 14.02.2020 | Stiahnuť |
|---|
//= detail/score.html




