Zámok dvojstranný VBPDE 1/2" A obj.č. V0190/FLV
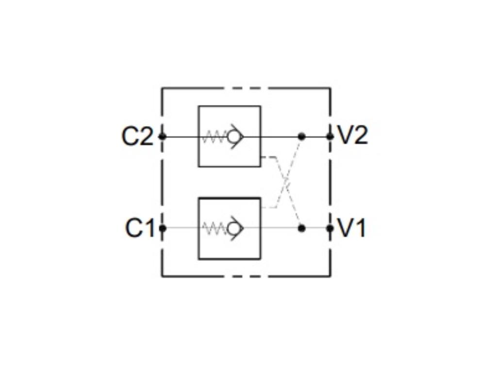
Dvojstranné jednosmerné riadené ventily určené pre montáž do potrubia VBPDE 1/2 A s pripojením (V1, C1, V2, C2) G 1/2 a maximálnym prietokom 55 l/min. Tlakový rozsah 3 - 350 b ...Viac informácií
Dvojstranné jednosmerné riadené ventily určené pre montáž do potrubia VBPDE 1/2 A s pripojením (V1, C1, V2, C2) G 1/2 a maximálnym prietokom 55 l/min. Tlakový rozsah 3 - 350 bar. Ovládací pomer 4.5 : 1. Rozsah pracovných teplôt od -20°C do 90°C.
| Filter | |
|---|---|
| Typ | Zámok - dvojstranný |
| Maximálny prietok oleja [l/min] | 55 |
| Max. pracovný tlak [bar] | 350 |
| Pripojenie | G 1/2" |
| Ovládací pomer | 4.5 : 1 |
| Otvárací tlak [bar] | 3 |
| 09-19_-_jednosmerne_riadene_ventily_vbpde-a_vnr-cs-de-38-fc2 | 251.84 KB | Formát PDF | 17.02.2020 | Stiahnuť |
|---|
//= detail/score.html




