Vážený zákazník, Váš prehladač Internet Explorer nepodporuje technológie, ktoré využívá náš e-shop. Pre správnu funkčnosť stránky používajte aktuálnejšie prehliadače (Edge, Chrome, Firefox, Safari).

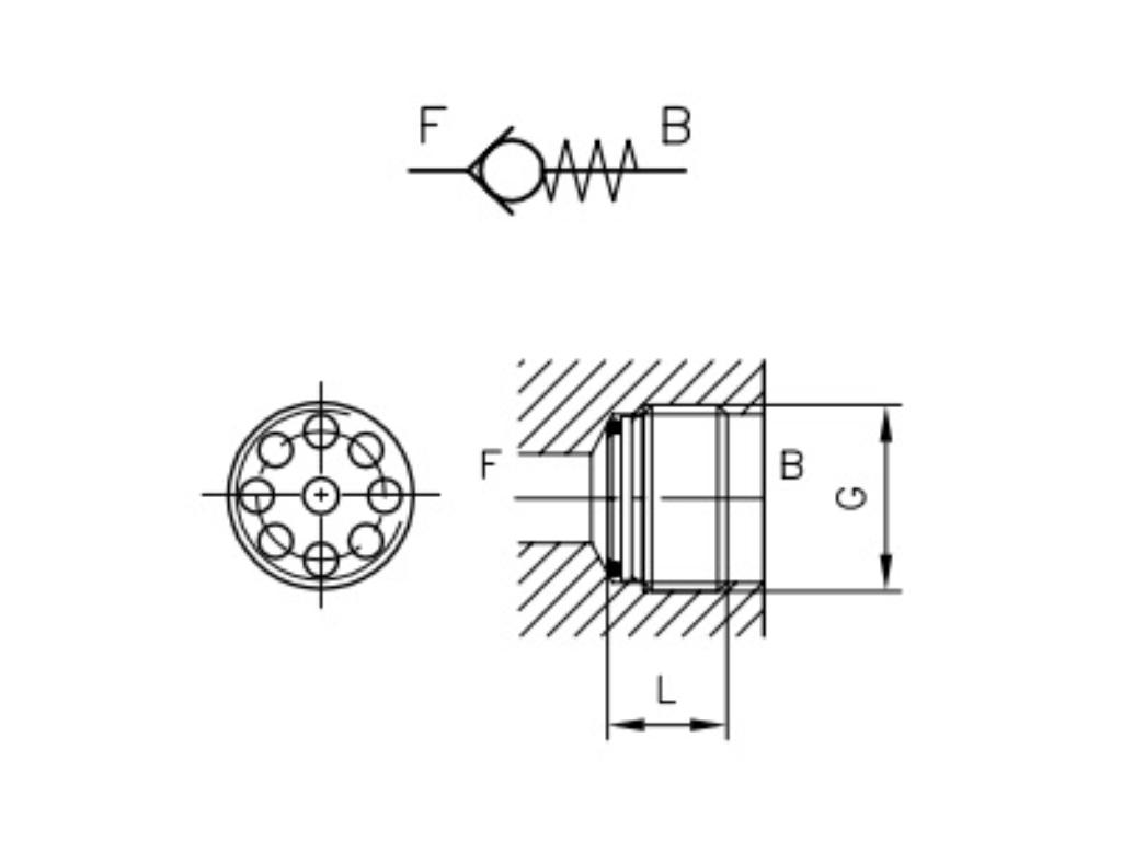
HAWE Ventil jednosmerný RK 4

Kód: 019764
Celková hmotnosť košíku v kg: 0,04
EAN: 019764

Spôsob zobrazenia

//= detail/score.html