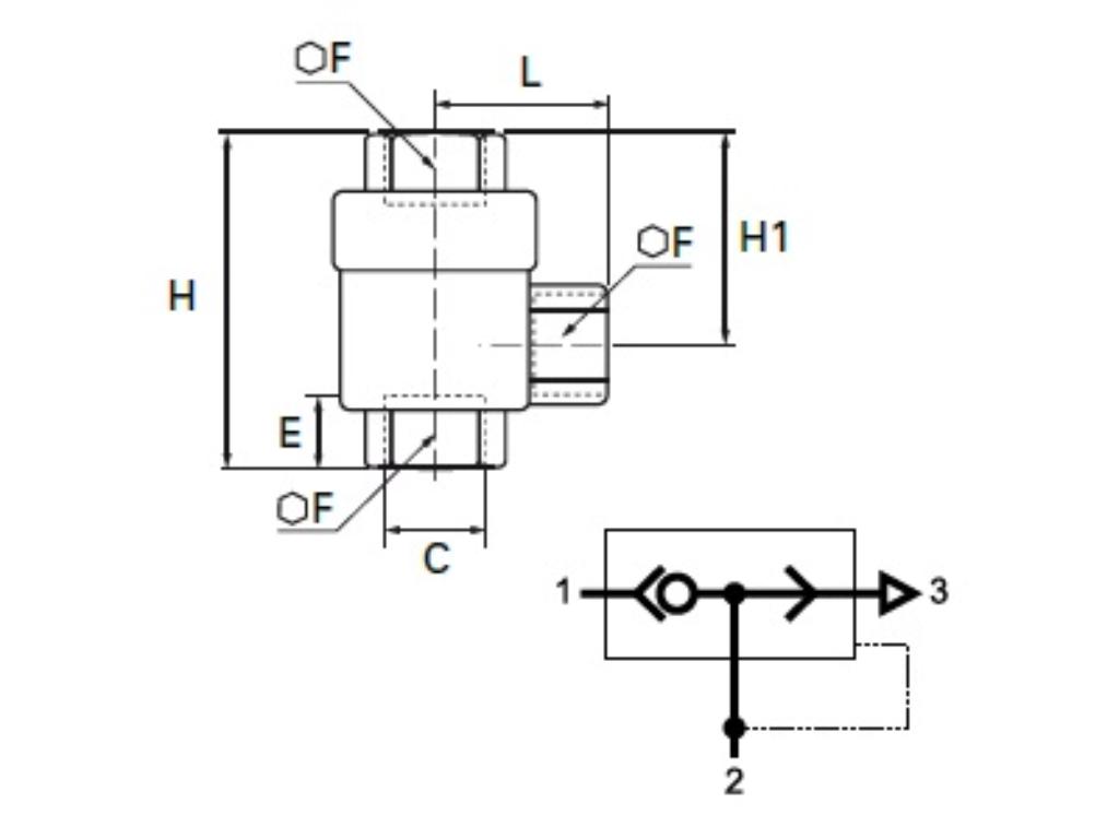
Rýchloodvzdušňovací ventil 7970, Vnútorný BSPP a Metrický závit. G 1/4. Materiál: Poniklovaná mosadz.
| Filter | |
|---|---|
| Materiál | Poniklovaná mosadz |
| Typ | Rýchloodvzdušňovací ventil |
| Typ závitu | Vnútorný BSPP a Metrický závit |
| Závit | G 1/4" |
//= detail/score.html




